SR系列散热器和CS系列除霜器的工作原理:与发动机冷却循环系统相连,将来自系统的高温冷却液通过换热水箱变成热风,吹到需要热源的空间或通过除霜管路均匀的吹到风挡玻璃内侧,进行取暖或全景除霜或除雾。
散热器根据结构的不同,可分为方箱(落地)式、壁挂式、地板下(踏步)式。
除霜器分风暖除霜器(引风机)和水暖除霜器,水暖除霜器根据进风方式的不同分为鼓风式(吹风式)和吸风式。根据水箱不同分为管片式、管带式、全铝式。


主要技术参数:
(1)标称电压:DC24V
(2)标称放热量:4KW
(3)电机功率:80W
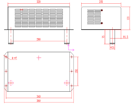
(4)外形尺寸:360×205×195mm


